CX 80U White vezetékes fülhallgató, USB-C
Mikrofonos fülhallgató USB-C csatlakozóval, fehér színű

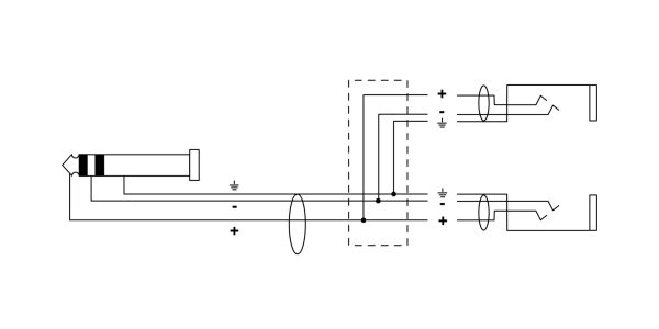
0,3 m, REAN Jack 6,3 mm stereo arany / 2 x jack 6,3 mm stereo arany
Original price was: 6.130 Ft.3.900 FtCurrent price is: 3.900 Ft.
Készleten
Készleten
The splitter CFY VKK with 1x 6.3 mm stereo jack plug to 2x 6.3 mm stereo jack socket is a helpful tool whenever you, for example, want to split the headphone output of an audio interface.
The adapter cable’s wire cross section is 2x 0.22mm² and the cable features about 15 cm long splits at each cable end. Gold plated contacts protect the REAN Neutrik® plugs against corrosion.
A szállítás a GLS futárszolgálattal történik